Nazwa : Tarcza Hamulc. Alfa Romeo 159 05- Tył
Producent : BREMBO
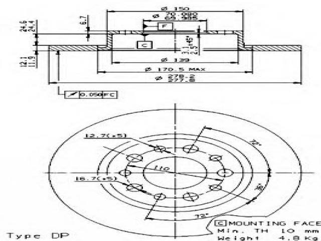
Numer części : 08.9364.11
EAN : 8020584026519
Opis :
dla numeru artykułu : 08.9364.11
Typ tarczy hamulcowej : pełny
Srednica mm : 278
Grubosć tarczy hamulcowej mm : 12
Minimalna grubość mm : 10
Wysokość mm : 43,2
średnica otworu centrujacego mm : 70
Ilosć otworów : 5
Moment dokręcenia Nm : 120
Powierzchnia : pokryty dodatkową warstwą
Pasujące samochody:
Alfa romeo 159 (939) 1.9 jts (118kw/160 km) Sedan 2005.09 - 2011.11
Alfa romeo 159 (939) 2.2 jts (136kw/185 km) Sedan 2005.09 - 2011.11
Alfa romeo 159 (939) 1.9 jtdm 8v (88kw/120 km) Sedan 2005.09 - 2011.11
Alfa romeo 159 (939) 1.9 jtdm 16v (110kw/150 km) Sedan 2005.09 - 2011.11
Alfa romeo Brera 2.2 jts (136kw/185 km) Hatchback 2006.01 - .
Alfa romeo 159 (939) 1.9 jtdm 16v (100kw/136 km) Sedan 2005.09 - 2011.11
Link do sklepu: https://superparts.pl/brembo-08936411-tarcza-hamulc-alfa-romeo-159-05--ty/566978
Brembo 08.9364.11 tarcza hamulc. alfa romeo 159 05- tył, alfa romeo 159 (939)
poland, Podkarpackie, Rzeszów
Opublikowane 7 lat temu
ID #147258
1 zdjęcie
156.00 zł
Brembo 08.9364.11 tarcza hamulc. alfa romeo 159 05- tył, alfa romeo 159 (939)
poland, Podkarpackie, Rzeszów,
Opublikowane 7 lat temu




Komentarze